|
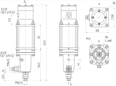
Насосы НП 1/320М, НП 8/250М, НП 1/1000М, НП 1/500МНасосы НП с рабочим объемом 1,5 и 7,6 см3 пред-назначены для нагнетания масла в гидравлические объемы гидропредохранителей для защиты от перегрузки кривошипных прессов, создания и поддержания в них установленной величины давления.
|



